
BX43W保溫旋塞閥
BX43W保溫旋塞閥是關閉件或柱塞形的旋轉閥,通過旋轉90度使閥塞上的通道口與閥體上的通道口相通或分開,實現開啟或關閉的一種閥門。旋塞閥廣泛地應用于油田開采、輸送和精練設備中,同時也廣泛用于石油化工、化工、煤氣、天然氣、液化石油氣、暖通行業以及一般工業中。
| 產品名稱: | 保溫旋塞閥 | 產品型號: | BX43W |
| 公稱通徑: | DN15~DN300 | 結構形式: | 圓柱形或圓錐形 |
| 公稱壓力: | 1.0MPa | 連接方式: | 法蘭 |
| 適用溫度: | -29ºC~+250ºC | 驅動方式: | 手動、電動 |
| 閥體材質: | 鑄鋼、不銹鋼 | 制造標準: | 國標GB、德國DIN、美國API、ANSI |
| 適用介質: | 瀝青、易凝固、易結晶等介質 | 生產廠家: | 上海凱利科閥門有限公司 |
| 型號 |
公稱壓力 PN(MPa) |
試驗壓力PS(MPa) |
工作壓力 P(MPa) |
適用介質 |
工作溫度 (℃) |
|
| 殼體 | 密封 | |||||
| BX43W-1.0P | 1.0 | 1.5 | 1.1 | 1.0 | 硝酸類等 | ≤250 |
| BX43W-1.0C | 1.0 | 1.5 | 1.1 | 1.0 | 非腐蝕、弱腐蝕 | ≤250 |
| 零件名稱 | 閥體、塞子 | 填料 |
|
BX43W-1.0P BX43W-1.0R |
不銹鋼 | 石墨盤根+304 |
| BX43W-1.0C | 鑄鋼 |
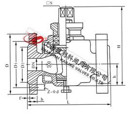
| 口徑(DN) | L | D | D1 | D2 | z-φd | |
| 20 | 90 | 150 | 105 | 75 | 55 | 4╳14 |
| 25 | 110 | 160 | 115 | 85 | 65 | 4╳14 |
| 32 | 115 | 190 | 135 | 100 | 78 | 4╳18 |
| 40 | 150 | 200 | 145 | 110 | 85 | 4╳18 |
| 50 | 170 | 220 | 160 | 125 | 100 | 4╳18 |
| 65 | 220 | 280 | 180 | 145 | 120 | 4╳18 |
| 80 | 250 | 300 | 195 | 160 | 135 | 4╳18 |
| 100 | 300 | 340 | 215 | 180 | 155 | 8╳18 |
| 125 | 350 | 245 | 210 | 185 | 8╳18 | |
| 150 | 400 | 280 | 240 | 210 | 8╳23 | |
| 200 | 450 | 335 | 295 | 265 | 8╳23 | |
| 250 | 530 | 390 | 350 | 320 | 8╳23 | |
| 300 | 580 | 440 | 400 | 368 | 8╳23 | |
聲明:【BX43W保溫旋塞閥】規格型號、結構尺寸由上海凱利科閥門有限公司提供,如何選擇適用的BX43W保溫旋塞閥產品,使之在工藝控制中安全可靠、經濟適用,可致電我司銷售部門及技術部門,我們將在最短的時間內為您解答! |